It is important to measure directly at the Mosfet Drains in order to establish whether there are dangerous “spikes” (ringing) present in the motor controller circuit. If not, the Snubber may be regarded as optional.
If there are dangerous spikes the snubber should be implemented as described below.
Any controller layout will have stray inductance associated with the internal wireing. If switching technology is used (PWM), voltage spikes will be generated by these stray inductors. At switch-off of the current from the motor the stray inductances may generate voltages which could exceed the maximum MOSFET Drain Source voltage. The pictures below have been taken during measurements on the controller.


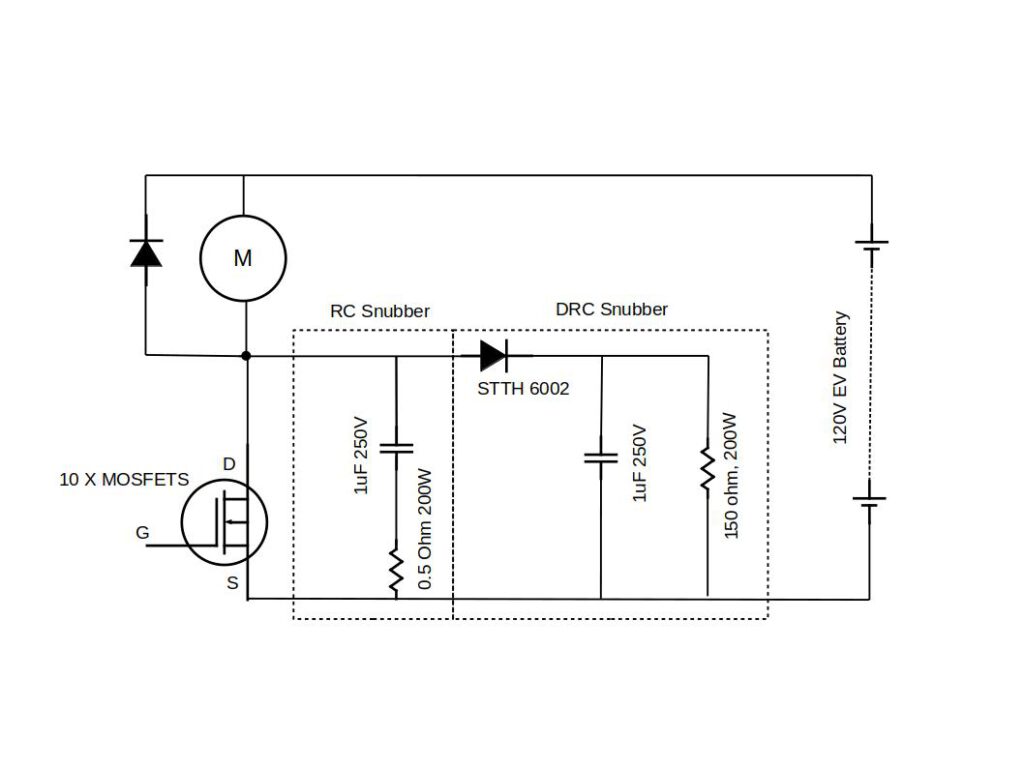
The next picture shows the circuit diagram for the Snubbers. There are two types of snubbers used, namely an RC snubber and a DRC snubber. The combined effect of these two snubber types reduces the spike amplitudes sufficiently.

The RC snubber capacitor is made up of 8 X 2uF capacitors in series and parallel combinations to make up a large 1uF capacitor. The reason for this is that there is some power dissipated in the capacitors and the multi capacitor configuration reduces the amount of power dissipated in each individual capacitor. (lower heat per each 2uF capacitor).
The RC Snubber resistor is a low inductance wire wound resistor, panel mount type with built in heatsink. (Two 1 ohm 100W resistors have been used in parallel to make up the 0.5 ohm 200W resistor).
The DRC diode does not need a heatsink. In this case, for the same reason mentioned above, the 1uF capacitor is made up of 4 X 1uF capacitors in series and parallel combinations.
The resistor for the DRC snubber should be as low as possible, but the lower it is, the more power it dissipates. A 200W, 150 ohm resistor is used.
Both resistors are mounted on heatsinks (10cm x 10cm) and are fan cooled.
The mechanical layout of the snubber is showen in the sub-menu “Mechanical Layout”