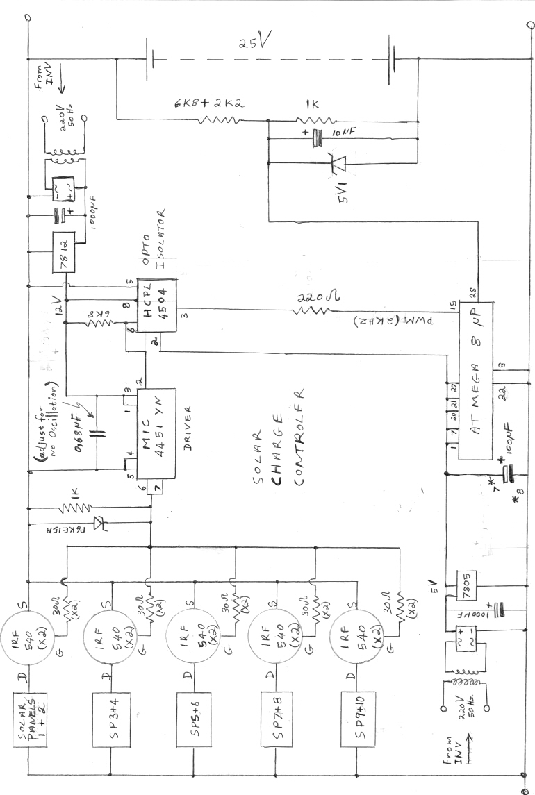
Solar Panel Charging System Circuit Diagram