Skip to primary content

DIY EV in RSA

Electric Vehicle Conversion in South Africa

DIY EV in RSA

Main menu

  • Home
  • Low Cost EV
    • EM Controller
      • Switch
        • Solenoids
        • Springs
      • Processor
    • Charger
    • Coupler
    • Contactor
    • Power Steering
    • Brake Vacuum
    • DC Motor
  • XDM EV
    • DC Motor
      • DIY Axial Flux DC Motor
    • Direct Coupling
    • Adapter Plate
    • Cradle
    • Brake Vacuum
    • Battery Bank
    • Battery Chargers
      • Parallel Battery Charger
      • Series Battery Charger
      • Charger with BMS
    • Utility Battery
    • Accelerator
    • Contactor
    • Controller
      • Electronic Controller
        • PWM Controller
        • Snubber
        • Temperature Sensor
        • Current Sensor
        • Mechanical Layout
      • EM Controller
        • Switches
          • Solenoides-
        • Processor
    • Power Steering
    • Aircon
    • Parameter Display
  • EV Album
    • Beetle Pipe Car
    • Chana Star
    • Datsun
    • SJ10 Conversion
    • Ford 150
    • Ford Bantam
  • Energy
    • Inverter
    • LFP Battery
  • Forum

Image navigation

← Previous Next →

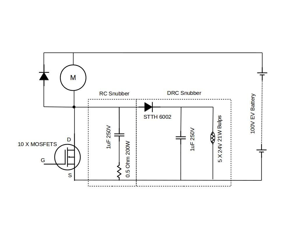
snubbers

Published October 28, 2016 at 1058 × 794 in Snubber
Proudly powered by WordPress

Powered by
►
Necessary cookies enable essential site features like secure log-ins and consent preference adjustments. They do not store personal data.
None
►
Functional cookies support features like content sharing on social media, collecting feedback, and enabling third-party tools.
None
►
Analytical cookies track visitor interactions, providing insights on metrics like visitor count, bounce rate, and traffic sources.
None
►
Advertisement cookies deliver personalized ads based on your previous visits and analyze the effectiveness of ad campaigns.
None
►
Unclassified cookies are cookies that we are in the process of classifying, together with the providers of individual cookies.
None
Powered by